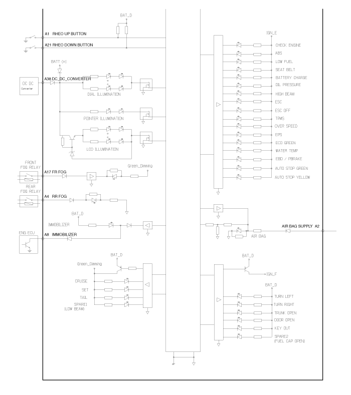
Hyundai Veloster: Instrument Cluster. Schematic Diagrams
Circuit Diagram


Instrument Cluster. Components and Components Location
Instrument Cluster. Repair proceduresSmooth cornering
Avoid braking or gear changing in corners, especially when roads are wet. Ideally,
corners should always be taken under gentle acceleration. If you follow these suggestions,
tire wear will be he ...
Navigation system
The navigation system ascertains the present position of your vehicle by using
information from satellites and guides you to the place you assign as the destination.
Detailed information for the na ...
Description and Operation
Descrition
Ignition timing is controlled by the electronic control ignition timing
system. The standard reference ignition timing data for the engine operating
conditions are preprogrammed i ...